电脑桌面
添加运营动脉到电脑桌面
安装后可以在桌面快捷访问

恒隆圣诞树施工图纸会员免费

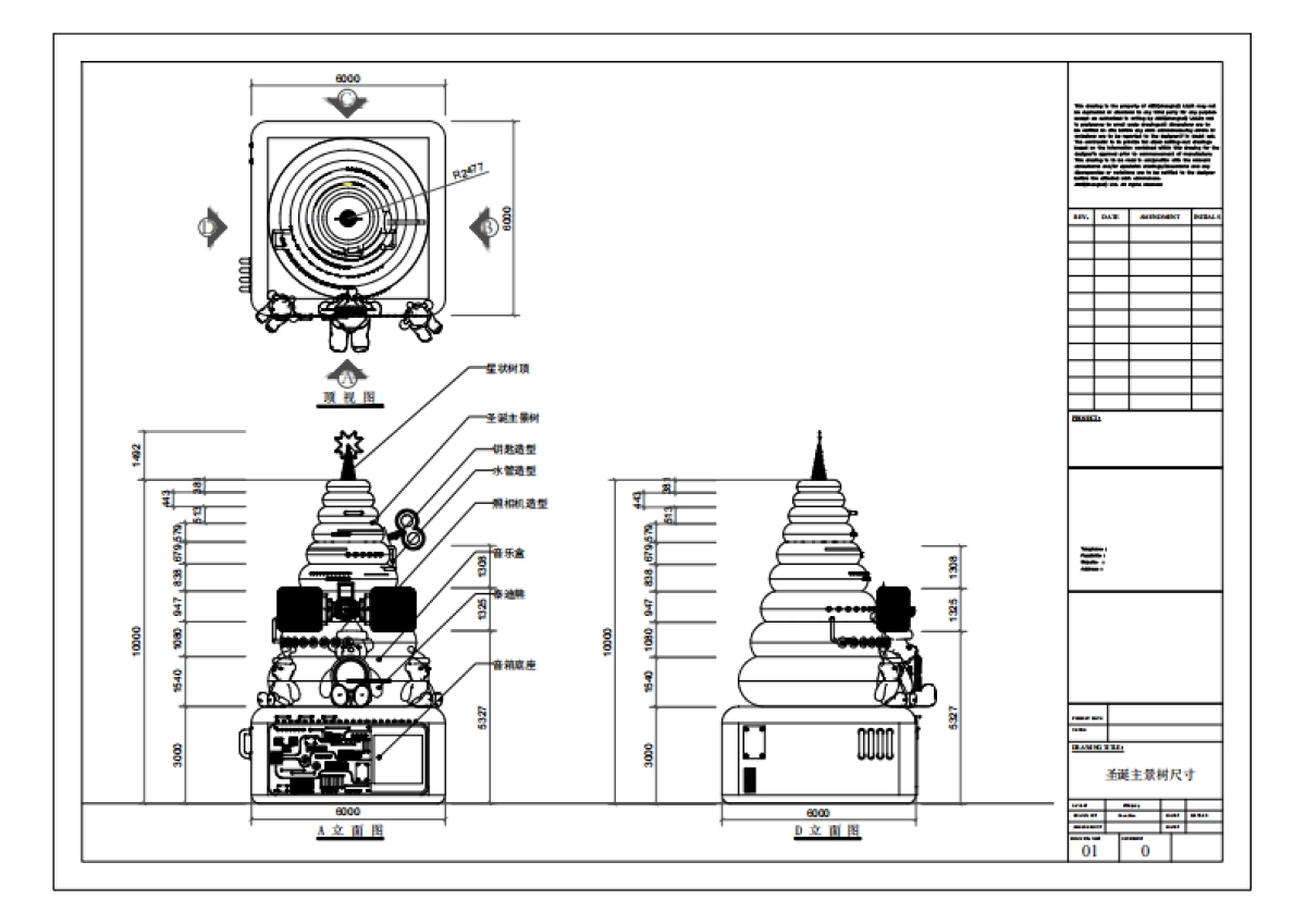
恒隆圣诞树施工图纸_第1页
1/39
恒隆圣诞树施工图纸_第2页
2/39
恒隆圣诞树施工图纸_第3页
3/39
恒隆圣诞树施工图纸_第4页
4/39
恒隆圣诞树施工图纸_第5页
5/39
恒隆圣诞树施工图纸_第6页
6/39
恒隆圣诞树施工图纸_第7页
7/39
恒隆圣诞树施工图纸_第8页
8/39
恒隆圣诞树施工图纸_第9页
9/39
恒隆圣诞树施工图纸_第10页
10/39

1、当您付费下载文档后,您只拥有了使用权限,并不意味着购买了版权,文档只能用于自身使用,不得用于其他商业用途(如 [转卖]进行直接盈利或[编辑后售卖]进行间接盈利)。
2、本站所有内容均由合作方或网友上传,本站不对文档的完整性、权威性及其观点立场正确性做任何保证或承诺!文档内容仅供研究参考,付费前请自行鉴别。
3、如文档内容存在违规,或者侵犯商业秘密、侵犯著作权等,请点击“违规举报”。

查找下载文件的指引

一、电脑端

- Windows 系统:按下键盘快捷键 `Ctrl + J`,即可打开下载列表。  

- Mac 系统:按下键盘快捷键 `⌘ + J`,即可打开下载列表。  

二、手机端

1. 打开手机浏览器,点击浏览器右下角的 “≡”(或“更多”)图标。  

2. 在弹出的菜单中找到并点击 “下载内容”(或类似选项),即可查看已下载的文件。  

提示:不同浏览器界面略有差异,若未找到“下载”入口,可尝试在浏览器设置中搜索“下载”关键词。


恒隆圣诞树施工图纸

您可能关注的文档

确认删除?
签到
收藏
足迹
微信
  • 站长微信
回到顶部